标题:
内容:
作者:
来源:
时间范围:
全部时间
一年内
一月内
一周内
开始搜索
关闭
搜索
高级搜索
无障碍浏览
长者模式
网站首页
工作动态
政府信息公开
办事服务
互动交流
法制建设
专题专栏
首页
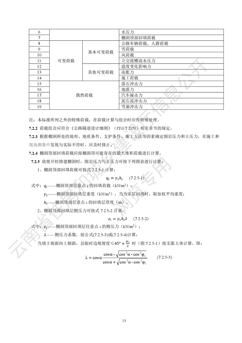
云南省工程建设地方标准
云南省公路棚洞工程设计标准
作者:
云南省住房和城乡建设厅
来源:
时间:
2025-12-03
点击数:
相关文章
+
-